Артикул:
								0031743
							
						
 UniMAX-P 800VWL-A
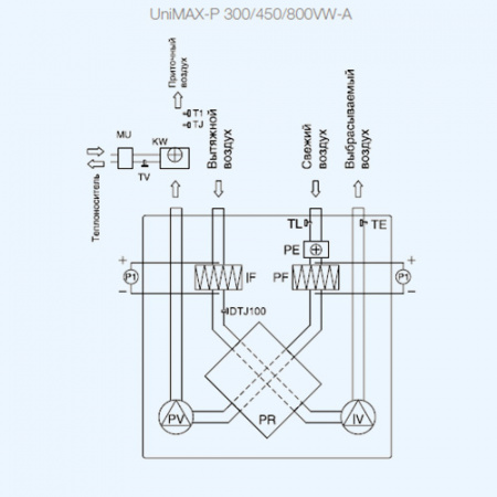
- Приточно-вытяжная установка с пластинчатым рекуператором UniMAX-P серии VW имеет левостороннее исполнение.
- Вертикальное расположение секций.
- Пластинчатый рекуператор алюминиевый с КПД до 65%.
- Обладает низким уровнем шума.
- Высокий класс фильтрации.
- Возможен вертикальный, настенный и напольный монтаж с дренажной трассой.
- Корпус установки изготовлен из оцинкованной стали.
- Теплоизоляция из минеральной ваты.
- Защита от замерзания.
- Вентилятор данной установки имеет назад загнутые лопатки, а так же встроенную термозащиту двигателя.
- Водяной нагреватель приобретается отдельно.
- В комплекте пульт управления UNI или PRO с кабелем 15/14 метров.
- Используется для очистки, нагрева и подачи свежего воздуха в помещение, удаляя загрязненный воздух и влагу.
- Область применения: малые и средние помещения (квартиры, офисы и т.д).
													Документы												
															
									Паспорт UniMAX-P VW
									
										2,7 мб									
								
							| 
										Производитель
																			 | Shuft | 
| 
										Вес, кг
																			 | 82,0 | 
| 
										Количество фаз
																			 | 1 | 
| 
										Изоляция стенок, мм
																			 | 30 | 
| 
										КПД рекуператора
																			 | 60 % | 
| 
										Вентилятор, А / кВт
																			 | 6,96 / 1,6 | 
| 
										Фильтры прит./выт.
																			 | EU5/EU3 | 
| 
										Мощность предварительного электронагревателя, кВт
																			 | 1,2 | 
| 
										Напряжение, В
																			 | 220 | 
| 
										Вес в упаковке, кг
																			 | 90,2 | 
| 
										Производительность, м³/ч
																			 | 800 | 
													Отзывы													
														
													
												
												
														Оставить отзыв													
												Загрузка отзывов...
- Наличный расчёт
- Банковская карта 
 
- Безналичный расчёт 
 
- ЮКасса
- Квитанция Сбербанка
- Курьерская доставка
- СДЭК
- Деловые Линии
- Почта России
- Доставка за пределы МКАД оплачивается дополнительно, из расчета 40 руб./км. 
 
- Доставка обычно осуществляется на следующий день или через день. 
 
- Доставка в регионы осуществляется через транспортные компании Деловые Линии, СДЭК, Почта России.
 
- Если по какой либо причине вас не устраивают данные ТК, то мы отправим вам товар той ТК, которую вы нам предложите по договоренности. 
 
- Цены и тарифы вы можете посмотреть на сайтах транспортных компаний.
- Крупногабаритный товар доставляется до подъезда, проходной.
- Возможен самовывоз товара(м. Аннино)
 
- ВНИМАНИЕ Выезд курьера для возврата или обмена не предусмотрен!
- Уважаемые покупатели, просьба отнестись более внимательно, к тому, что изложено ниже. 
 
- Услуга курьерской доставки является отдельной услугой, заказанной вами и осуществленной нами, по вашей просьбе, в связи с этим, приобретение товара с доставкой не дает покупателю права требования повторной услуги доставки товара в случае возникновения необходимости гарантийного обслуживания или замены и не дает возможности осуществлять гарантийное обслуживание или замену товара посредством выезда курьера к покупателю. 
 
- Приобретение товара с доставкой не подразумевает возможности возврата стоимости услуги доставки товара в том случае, когда Покупатель имеет право на возврат денег за товар в соответствии с "Законом о защите прав потребителей".
- При получении заказа внимательно осмотрите товар, убедитесь в отсутствии брака и проверьте его комплектацию.
- Претензии по внешнему виду доставленного товара Вы можете предъявить только во время передачи Вам товара курьером.
- Обмен и возврат товаров надлежащего качества производится в любом из наших магазинов (при себе иметь паспорт, кассовый чек, товар).
- ! Выезд курьера для возврата и обмена не предусмотрен!

 
									 
									 
									 
									 
									