Артикул:
0025691
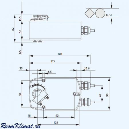
Электропривод с возвратной пружиной Belimo LF 230
- Электропривод для управления воздушными заслонками, выполняющими охранные функции в системах вентиляции и кондиционирования воздуха зданий (например защита от замораживания)
- Предназначен для управления воздушными заслонками площадью приблизительно до 0,8 м2
- Крутящий момент 4 Нм
- Номинальное напряжение 230 В
- Управление: открыто/закрыто
- Встроенный вспомогательный переключатель (для LF230-S)
- При перемещении привода в нормальное рабочее положение взводится возвратная пружина. При прекращении подачи питания Энергия, запасенная в пружине, возвращает заслонку в охранное положение.
- Простая установка непосредственно на вал заслонки при помощи универсального захвата, снабжается фиксатором, предотвращающим вращение корпуса электропривода.
- Электропривод защищен от перегрузки, не требует конечных выключателей и останавливается автоматически при достижении конечных положений.
- Гибкая система сигнализации с настраиваемым вспомогательным переключателем 0-100% (только для LF230-S).
|
Производитель
|
Belimo (Швейцария) |
|
Уровень шума, dB
|
двигатель-50/пружина-62 |
|
Вес, кг
|
1.55 |
|
Мощность, Вт
|
3.0/2.5 |
|
Класс защиты, IP
|
54 |
|
Max t окр. воздуха, С°
|
от -30 до +50 |
|
Для заслонок до м.кв.
|
0,8 |
|
Время поворота, сек.
|
от 40 до 75 |
|
Вспомогательный переключатель (S)
|
Нет |
|
Класс изоляции
|
II |
|
Напряжение, В
|
230 |
|
Управление
|
открыто/закрыто |
|
Вес в упаковке, кг
|
1.70 |
Отзывы
Оставить отзыв
Загрузка отзывов...
- Наличный расчёт
- Банковская карта
- Безналичный расчёт
- ЮКасса
- Квитанция Сбербанка
- Курьерская доставка
- СДЭК
- Деловые Линии
- Почта России
- Доставка за пределы МКАД оплачивается дополнительно, из расчета 40 руб./км.
- Доставка обычно осуществляется на следующий день или через день.
- Доставка в регионы осуществляется через транспортные компании Деловые Линии, СДЭК, Почта России.
- Если по какой либо причине вас не устраивают данные ТК, то мы отправим вам товар той ТК, которую вы нам предложите по договоренности.
- Цены и тарифы вы можете посмотреть на сайтах транспортных компаний.
- Крупногабаритный товар доставляется до подъезда, проходной.
- Возможен самовывоз товара(м. Аннино)
- ВНИМАНИЕ Выезд курьера для возврата или обмена не предусмотрен!
- Уважаемые покупатели, просьба отнестись более внимательно, к тому, что изложено ниже.
- Услуга курьерской доставки является отдельной услугой, заказанной вами и осуществленной нами, по вашей просьбе, в связи с этим, приобретение товара с доставкой не дает покупателю права требования повторной услуги доставки товара в случае возникновения необходимости гарантийного обслуживания или замены и не дает возможности осуществлять гарантийное обслуживание или замену товара посредством выезда курьера к покупателю.
- Приобретение товара с доставкой не подразумевает возможности возврата стоимости услуги доставки товара в том случае, когда Покупатель имеет право на возврат денег за товар в соответствии с "Законом о защите прав потребителей".
- При получении заказа внимательно осмотрите товар, убедитесь в отсутствии брака и проверьте его комплектацию.
- Претензии по внешнему виду доставленного товара Вы можете предъявить только во время передачи Вам товара курьером.
- Обмен и возврат товаров надлежащего качества производится в любом из наших магазинов (при себе иметь паспорт, кассовый чек, товар).
- ! Выезд курьера для возврата и обмена не предусмотрен!
Вам также может понравиться
