По предоплате
Арт.: 0030111
400х200 мм / 900 м³/ч / 220 В / двигатель ebmpapst
Описание
В наличии
Арт.: 0030002
99 мм / шнурковый выключатель
Описание
В наличии
Арт.: 0029292
485 м³/ч
Описание
В наличии
Арт.: 0027036
100 мм / таймер
Описание
В наличии
Арт.: 0027032
390 м³/ч / 125 мм
Описание
Нет в наличии
Арт.: 0026157
100 мм / таймер / обратный клапан
Описание
3 570 р.
Варианты цен
3 570 р.
В наличии
Арт.: 0025869
1700 м³/ч / 500х250 мм / 1 ф
Описание
В наличии
Арт.: 0024662
100 мм / обратный клапан
Описание
В наличии
Арт.: 0024654
100 мм / silver / обратный клапан
Описание
В наличии
Арт.: 0024509
240/200 м³/ч / 100 мм
Описание
По предоплате
Арт.: 0023832
410м³/ч / диаметр 125мм
Описание
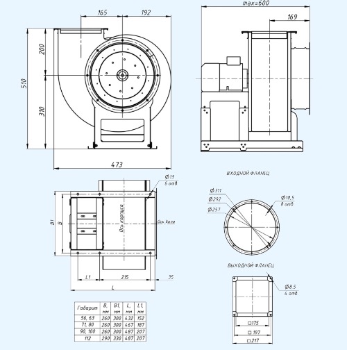
ВР 80-75-№2,5-0,55 кВт-3000 об/мин (Прав, 0) Завод Вентилятор Радиальный вентилятор низкого давления
В наличии
Арт.: 0067944
0,55 кВт/ 1820 м³/ч/ правосторонний
Описание
В наличии
Арт.: 0067788
100 мм / 95 м³/ч/ обратный клапан/ таймер и датчик влажности
Описание
















